DOHA EXHIBITION AND CONVENTION CENTER

Project Details

Project Name
DOHA EXHIBITION AND CONVENTION CENTER
Location
DohaQATAR
Architect
JAHN
Project Types
Community
Project Scope
New Construction
Shared By
JAHN US
Project Status
Built
Year Completed
2015
Style
Modern
Certifications & Designations
Energy Star
Room or Space
Architectural Detail

Project Description

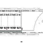
The new Doha Exhibition and Convention Center contains seven Exhibit Halls and adjacent conference rooms, all under a monumental floating blade roof. The 48,000m2 Convention Center can be operated as five independent exhibit halls, or with the operable partitions opened, a single 35,000 m2 hall is created, one of the largest single halls in the world with an 18m clear height throughout. Circular skylights flood the exhibit halls with natural light, with black-out shades providing control. All halls are accessed from the South Foyer, a 270m long lobby with a full height, cabled stayed façade that offers panoramic views of Doha’s new downtown, the West Bay.

Upcoming Events

  • Design Smarter: Leveraging GIS, BIM, and Open Data for Better Site Selection & Collaboration

    Live Webinar

    Register for Free
  • Slate Reimagined: The Surprising Advantages of Slate Rainscreen Cladding

    Webinar

    Register Now
  • The State of Residential Design Today: Innovations and Insights from RADA-Winning Architects

    Webinar

    Register for Free
All Events