United Oil

The sky's the limit for a new gas station in south Los Angeles.

3 MIN READ
The new United Oil station manages to look futuristic while referencing optimistic postwar times of half a century ago.

The new United Oil station manages to look futuristic while referencing optimistic postwar times of half a century ago.

In a city driven by cars, Los Angeles radio stations regularly call out where to find the cheapest gas in town. Usually, it’s at a United Oil station.

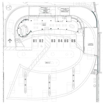
The Southern California chain isn’t just cheaper—it’s also known for having some of the most eye-catching gas stations in town. But topiary and competitive pricing won’t be what distinguish the new United Oil gas station/convenience store/car wash going up at the corner of Slauson and La Brea avenues. Designed by Santa Monica, Calif.–based Kanner Architects, the station captures the momentum of nearby freeways with two sweeping gestures: a concrete ramp to the car wash that winds around, over, and behind the market, and a steel structure that forms the roof of the market, then curves around to become a soaring canopy over the pumps.

“In a very subtle way, [the design] refers back to post-war, optimistic times,” says Stephen Kanner, 51, the third-generation president of his family’s firm. “But definitely it’s intended to be a futuristic statement.”

The 20,600-square-foot project is due for completion in June. Its curving canopy, which encompasses about 7,000 square feet, has been one of the more complicated pieces of the station’s construction, says construction manager Jon Murga, president of Advanced Building Group. The canopy’s elevation changes from 14 feet to 31 feet, and the columns supporting it are skewed, each at a different angle. “We went through a lot of heartache and headache to get it right,” he says, explaining that his company came into the project during the design phase on a fixed-fee basis, rather than winning a bid after the design was complete. As a result, “We’re working for solutions, not how much our change order is going to be,” he says, adding, “This business doesn’t need to be difficult.”

According to Murga, the steel package for the canopy was about $800,000; the concrete package for the poured-in-place concrete ramp to the car wash was about $850,000; the Bendheim glass that clads the circular tower was shipped from Germany and cost about $375,000. The project’s total price tag is approaching $4.5 million, which easily makes it the most expensive United Oil station to date.

United Oil began paying more attention to the design of their stations after the success of restoring a 50-year-old gas station in Redondo Beach, Calif. The restoration required not much more than a fresh coat of paint and some landscaping, which thirdgeneration United Oil owner Jeff Appel planted himself. “The city appreciated it, and we got a little beautification award. But that little difference made a big difference in the way we did business,” Appel says, leading him to develop a series of 25 showplace stations, most designed in-house. “We have the nicest stations, and I think the customers appreciate that.”

For this project, Kanner Architects designed not just the station but all of its elements, including the terrazzo floors in the market, the cabinets that hold candy and cigarettes, the numbering at the pumps, and the sign at the corner (a corner shared with three other gas stations). “It’s this very rare product,” says Kanner, though his firm has had the opportunity to provide total design services for other commercial clients, including Puma stores worldwide.

In what has to be the equivalent of a fairy tale come true for architects, a simple napkin sketch sold Appel on Kanner Architects and the curvilinear design. “When I saw it on the napkin, I loved it, and the more it starts to develop, I love it even more,” Appel says.


About the Author

No recommended contents to display.

Upcoming Events

  • Design Smarter: Leveraging GIS, BIM, and Open Data for Better Site Selection & Collaboration

    Live Webinar

    Register for Free
  • Slate Reimagined: The Surprising Advantages of Slate Rainscreen Cladding

    Webinar

    Register Now
  • The State of Residential Design Today: Innovations and Insights from RADA-Winning Architects

    Webinar

    Register for Free
All Events